三菱电机 三菱电机株式会社
 


三菱重工 日精电机 椿本电机 日立电机 泽村电机
 上海武田 | 联系我们 | 神钢电机 | 三荣气动 | 大泽吸尘 |   Tel: 021-5108 5793 F:5108 6107 E:wsitl@21cn.net
 三菱电机 Superline
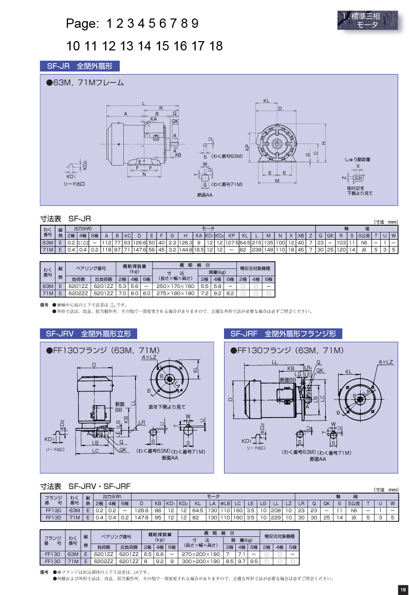
全闭外扇型SF-JR 机座号:63M,71M
上海武田机电有限公司 TEL:021-51085793 FAX:021-51086107 EMAIL:wsitl@21cn.net